1the emphasis on the primeline design is to maximize the efficiency with minimum reduction in power factor. Alternative current stator electric generator vector electromagnetic induction electrical generator electric generator wind turbine diagram induction generator electric generators charging mechanics.

Solved The Induction Generator Shown In Wind Turbine Conn

Solved Consider This Linear Induction Generator As The Ma

Induction Generator Working Theory Electricaleasy Com
Thousands of new high quality pictures added every day.

Induction generator images. An induction generator also called an asynchronous generator is a type of alternating current electrical generatorthe generators rotor is placed within a rotating magnetic field and the rotor is then spun by an external source of mechanical energy so that it rotates more rapidly than the magnetic field. The induction generator and induction motor are in theory similar but the primeline induction generator has significant differences from standard motors. See dc generator stock video clips.
And the motion of the conductor in the magnetic field. Between the two converters a dc link capacitor is placed as energy storage in order to keep the voltage variations or ripple in the dc link voltage small. Induction generators operate by mechanically turning their rotors faster than synchronous speed.
And to get a better idea of the construction of dc generator we will imagine that we have a simple loop dc generator with only one turn coil and one pair of a magnet. An induction generator or asynchronous generator is a type of alternating current electrical generator that uses the principles of induction motors to produce power. An induction generator or asynchronous generator is a type of alternating current ac electrical generator that uses the principles of induction motors to produce electric power.
With the rotor side converter it is possible to control the torque or the. Introduction to doubly fed induction generator for wind power applications 263 which are connected back to back. The rotating shaft begins dragging the magnetic field field forward sending.
A regular ac induction motor usually can be used as a generator without any internal modifications. An electromagnetic generator is a device that transforms mechanical energy into electrical energy using the interconnected principles of magnetism and electricity. Find induction generator stock images in hd and millions of other royalty free stock photos illustrations and vectors in the shutterstock collection.
445 dc generator stock photos vectors and illustrations are available royalty free. The working principle of a double fed induction generator. This law directs us to focus on the most important elements of dc generator which are.
The wind turbine is typically a fan consisting of 3 blades which rotate when wind strikes it. The process by which an electromagnetic generator produces electricity is called electromagnetic induction which basically means that an electric current is induced within a conductor through use of a magnet. Class f varnish is used in place of the class b varnish 3.
Induction generators operate. It is a high precision mechanical system which uses a mechanical method to convert energy from one device to another. The rotation axis should be aligned with the wind direction.

Steady State Modeling Of Three Phase Self Excited Induction

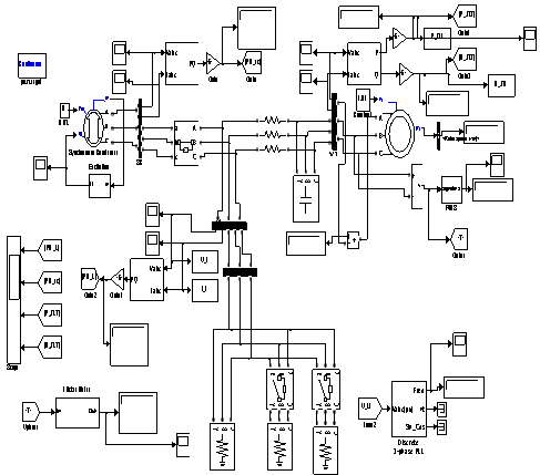
Simulink Model Of A Self Excited Induction Generator

Power Quality Issues Of Induction Generators In Different

150kw Induction Generator Furnace For 150kg Capacity Iron

High Speed Induction Generators Generators For Wind

Induction Generator In Wind Power Systems Intechopen

Induction Generator Optimized Operation For Small Scale Wind

Study Of Wind Turbine Based Self Excited Induction Generator

Induction Generators Same Basic Construction As Squirrel

A Single Phase Self Excited Induction Generator With Voltage

What Is An Induction Generator Circuit Globe

Control Of A Wind Driven Doubly Fed Induction Generator
Comments
Post a Comment