
Rotomotive 0 37w Tefc Induction Motor 71b 4


Weg Ac Induction Motor 30k4p200b5ie3f3we Brammer Online


Siemens Motors Drives Buy Siemens Motors Drives Online

Weg Ac Induction Motor 37k4p225b3ie3f3we Brammer Online

Induction Motor Starting Methods

Online Parameter Estimation Of Induction Motor Screen Shot

China Online Exporter Permanent Magnet Brushed Dc Motor

Offline And Online Fault Detection And Diagnosis Of

Ye2 3 Phase Electric Induction Motor 7 5kw Of Price List Buy 3 Phase Induction Motor 7 5kw Electric Motor Price List 3 Phase Electric Induction

Amazon In Buy Single Phase Induction Motor A Dynamic

Impel Ac Induction Motor Flange Monted 3 Phase 10 00 Hp 1500 Rpm Tefc Squirrel Cage

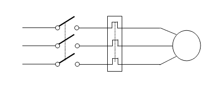
Direct Online Or Dol Starting Of Asynchronous Or Induction
The Induction Motor Slip Wisc Online Oer

Direct Online Starter
Comments
Post a Comment